
DUŞAKABİN SİSTEMLERİ






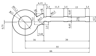
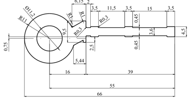
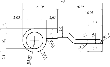
NST-194
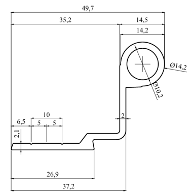
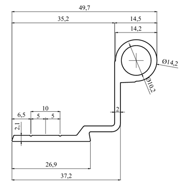
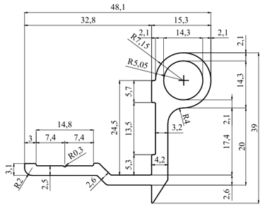
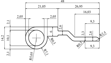
NST-196
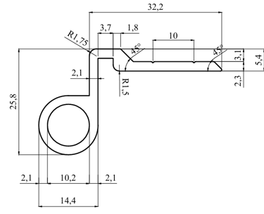
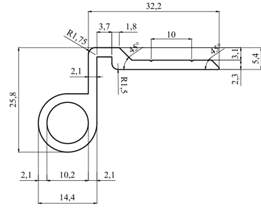
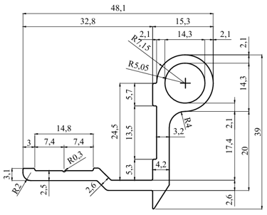
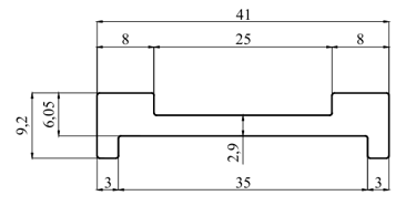
NST-195
ÇEVRE (mm.) 132
ALAN (mm²) 300
AĞIRLIK (gr/m) 813
ÇEVRE (mm.) 134
ALAN (mm²) 193
AĞIRLIK (gr/m) 523
ÇEVRE (mm.) 156
ALAN (mm²) 207
AĞIRLIK (gr/m) 561






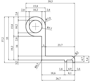
NST-197
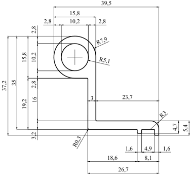
NST-199
NST-198
ÇEVRE (mm.) 164
ALAN (mm²) 480
AĞIRLIK (gr/m) 1301
ÇEVRE (mm.) 227
ALAN (mm²) 583
AĞIRLIK (gr/m) 1580
ÇEVRE (mm.) 164
ALAN (mm²) 268
AĞIRLIK (gr/m) 726






NST-200
NST-201
NST-202
ÇEVRE (mm.) 144
ALAN (mm²) 265
AĞIRLIK (gr/m) 718
ÇEVRE (mm.) 117
ALAN (mm²) 203
AĞIRLIK (gr/m) 550
ÇEVRE (mm.) 57
ALAN (mm²) 192
AĞIRLIK (gr/m) 520




NST-203
NST-204
ÇEVRE (mm.) 117
ALAN (mm²) 113
AĞIRLIK (gr/m) 360
ÇEVRE (mm.) 111
ALAN (mm²) 188
AĞIRLIK (gr/m) 509
