
CAM BALKON SİSTEMLERİ






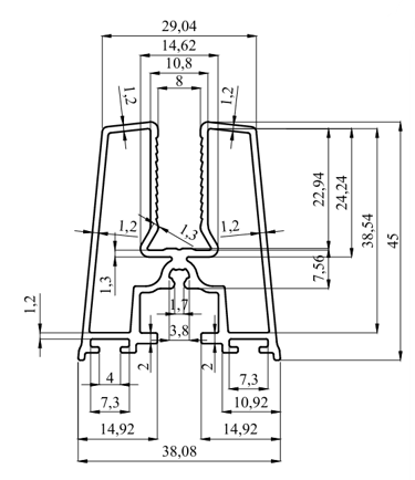
NST-181
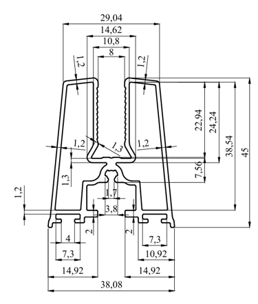
NST-182
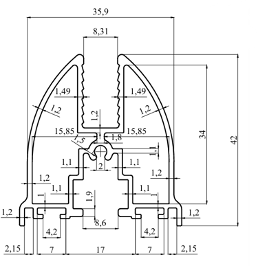
NST-183
ÇEVRE (mm.) 145
ALAN (mm²) 82
AĞIRLIK (gr/m) 223
ÇEVRE (mm.) 172
ALAN (mm²) 156
AĞIRLIK (gr/m) 423
ÇEVRE (mm.) 94
ALAN (mm²) 58
AĞIRLIK (gr/m) 158






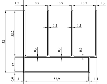
NST-184
NST-186
NST-185
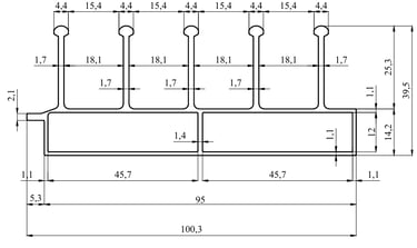
ÇEVRE (mm.) 450.5
ALAN (mm²) 529
AĞIRLIK (gr/m) 1434
ÇEVRE (mm.) 155
ALAN (mm²) 132
AĞIRLIK (gr/m) 358
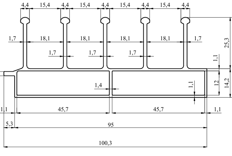
ÇEVRE (mm.) 430
ALAN (mm²) 508
AĞIRLIK (gr/m) 1377






NST-187
NST-189
NST-188
ÇEVRE (mm.) 79
ALAN (mm²) 111
AĞIRLIK (gr/m) 301
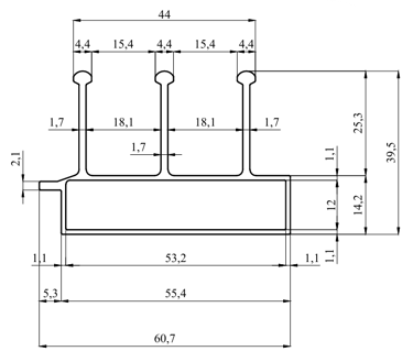
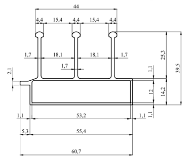
ÇEVRE (mm.) 232
ALAN (mm²) 213
AĞIRLIK (gr/m) 577
ÇEVRE (mm.) 157
ALAN (mm²) 116
AĞIRLIK (gr/m) 316
NST-190


ÇEVRE (mm.) 254
ALAN (mm²) 262
AĞIRLIK (gr/m) 710


NST-191
ÇEVRE (mm.) 244
ALAN (mm²) 217
AĞIRLIK (gr/m) 588
NST-192


ÇEVRE (mm.) 278
ALAN (mm²) 323
AĞIRLIK (gr/m) 875


ÇEVRE (mm.) 263
ALAN (mm²) 280
AĞIRLIK (gr/m) 759
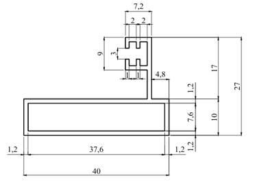
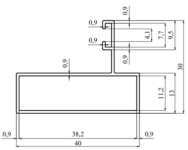
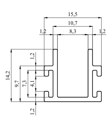
NST-180






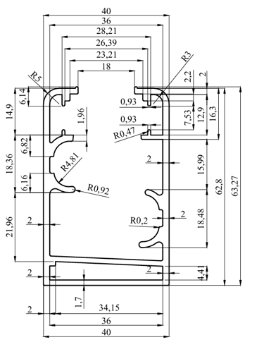
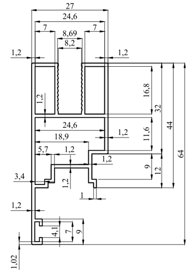
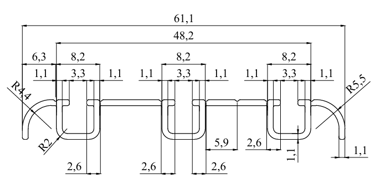
NST-206
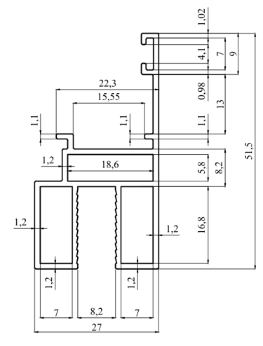
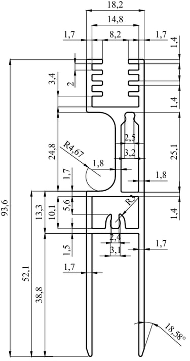
NST-208
NST-207
ÇEVRE (mm.) 695
ALAN (mm²) 495
AĞIRLIK (gr/m) 1340
ÇEVRE (mm.) 450
ALAN (mm²) 309
AĞIRLIK (gr/m) 837
ÇEVRE (mm.) 486
ALAN (mm²) 512
AĞIRLIK (gr/m) 1388
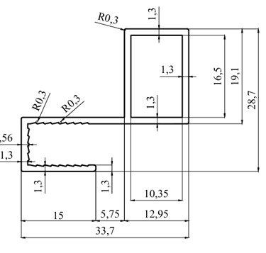
NST-209


ÇEVRE (mm.) 303
ALAN (mm²) 308
AĞIRLIK (gr/m) 835


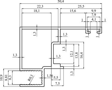
NST-210
ÇEVRE (mm.) 104
ALAN (mm²) 63
AĞIRLIK (gr/m) 171
NST-211


ÇEVRE (mm.) 225
ALAN (mm²) 123
AĞIRLIK (gr/m) 333


ÇEVRE (mm.) 391
ALAN (mm²) 463
AĞIRLIK (gr/m) 1255
