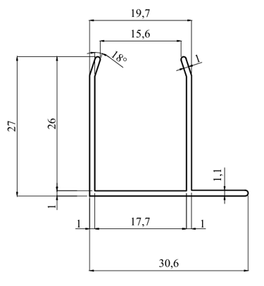
ALAN (mm²) 83
AĞIRLIK (gr/m) 227
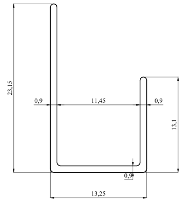
ALAN (mm²) 43
AĞIRLIK (gr/m) 117
Sosyal Medya Hesaplarımız
Alüminyum ekstrüzyon sektöründe kaliteli üretim hizmeti.
İLETİŞİM
info@nstaluminyum.com
+90 535 726 92 40
© 2025. All rights reserved.