
ISICAM


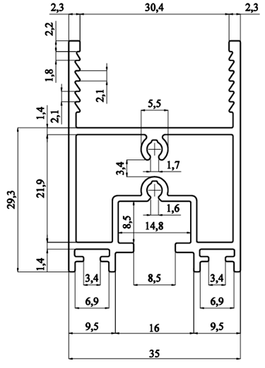
NST-153
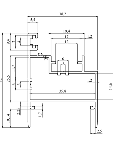
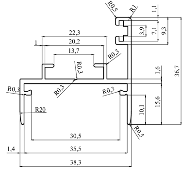
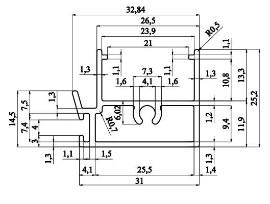
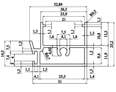
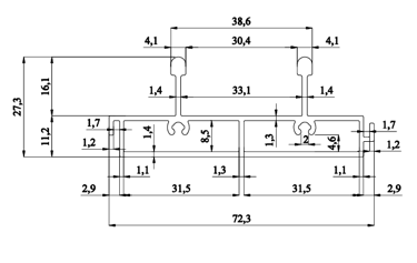
NST-149
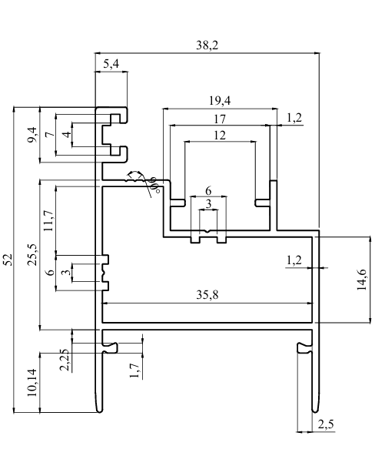
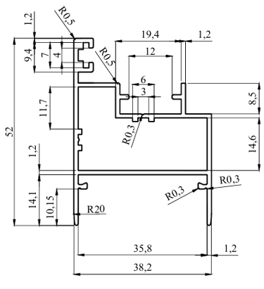
NST-152
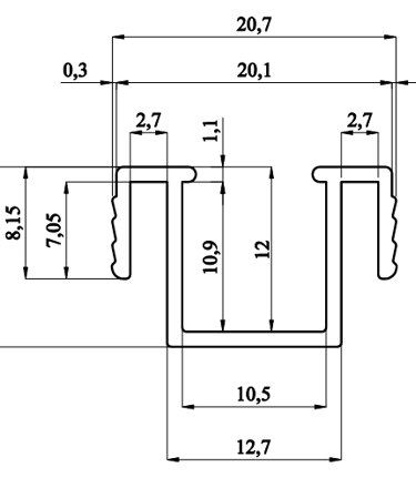
ÇEVRE (mm.) 271
ALAN (mm²) 239
AĞIRLIK (gr/m) 648
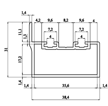
NST-150
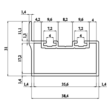
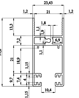
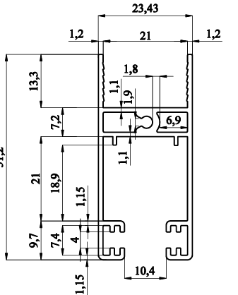
NST-148
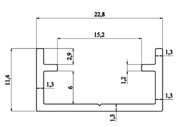
ÇEVRE (mm.) 167
ALAN (mm²) 194
AĞIRLIK (gr/m) 525
ÇEVRE (mm.) 250
ALAN (mm²) 258
AĞIRLIK (gr/m) 700
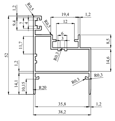
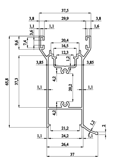
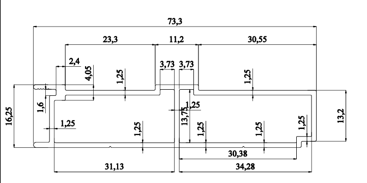
NST-151






ÇEVRE (mm.) 291
ALAN (mm²) 313
AĞIRLIK (gr/m) 848


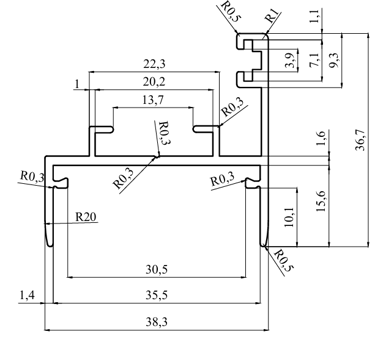
ÇEVRE (mm.) 249
ALAN (mm²) 341
AĞIRLIK (gr/m) 924


ÇEVRE (mm.) 252
ALAN (mm²) 167
AĞIRLIK (gr/m) 453
SÜRME SİSTEMLERİ






NST-173
NST-176
NST-177
ÇEVRE (mm.) 311
ALAN (mm²) 230
AĞIRLIK (gr/m) 622
ÇEVRE (mm.) 163
ALAN (mm²) 171
AĞIRLIK (gr/m) 463
ÇEVRE (mm.) 338
ALAN (mm²) 303
AĞIRLIK (gr/m) 820
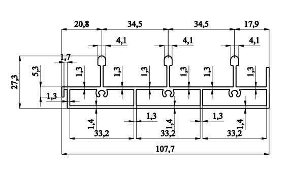
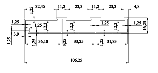
NST-169
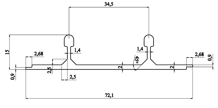
ÇEVRE (mm.) 369
ALAN (mm²) 493
AĞIRLIK (gr/m) 1336






NST-170
NST-174
NST-172
ÇEVRE (mm.) 121
ALAN (mm²) 67
AĞIRLIK (gr/m) 180
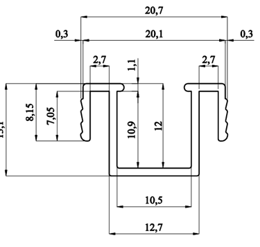
NST-171
ÇEVRE (mm.) 97
ALAN (mm²) 62
AĞIRLIK (gr/m) 168
NST-175


NST-178
ÇEVRE (mm.) 199
ALAN (mm²) 211
AĞIRLIK (gr/m) 572


NST-179
ÇEVRE (mm.) 296
ALAN (mm²) 318
AĞIRLIK (gr/m) 862


ÇEVRE (mm.) 250
ALAN (mm²) 321
AĞIRLIK (gr/m) 869


ÇEVRE (mm.) 192
ALAN (mm²) 241
AĞIRLIK (gr/m) 653


ÇEVRE (mm.) 249
ALAN (mm²) 341
AĞIRLIK (gr/m) 924
